Vor anderthalb Jahren haben wir an der Hochschule für nachhaltige Entwicklung Eberswalde (HNEE) ein Coxem EM-30N installiert. Das SEM-EDX Tischgerät wird dort für die Untersuchung von Holzwerkstoffen eingesetzt. Erste Ergebnisse wurden noch im selben Jahr in einschlägigen Fachzeitschriften veröffentlicht.
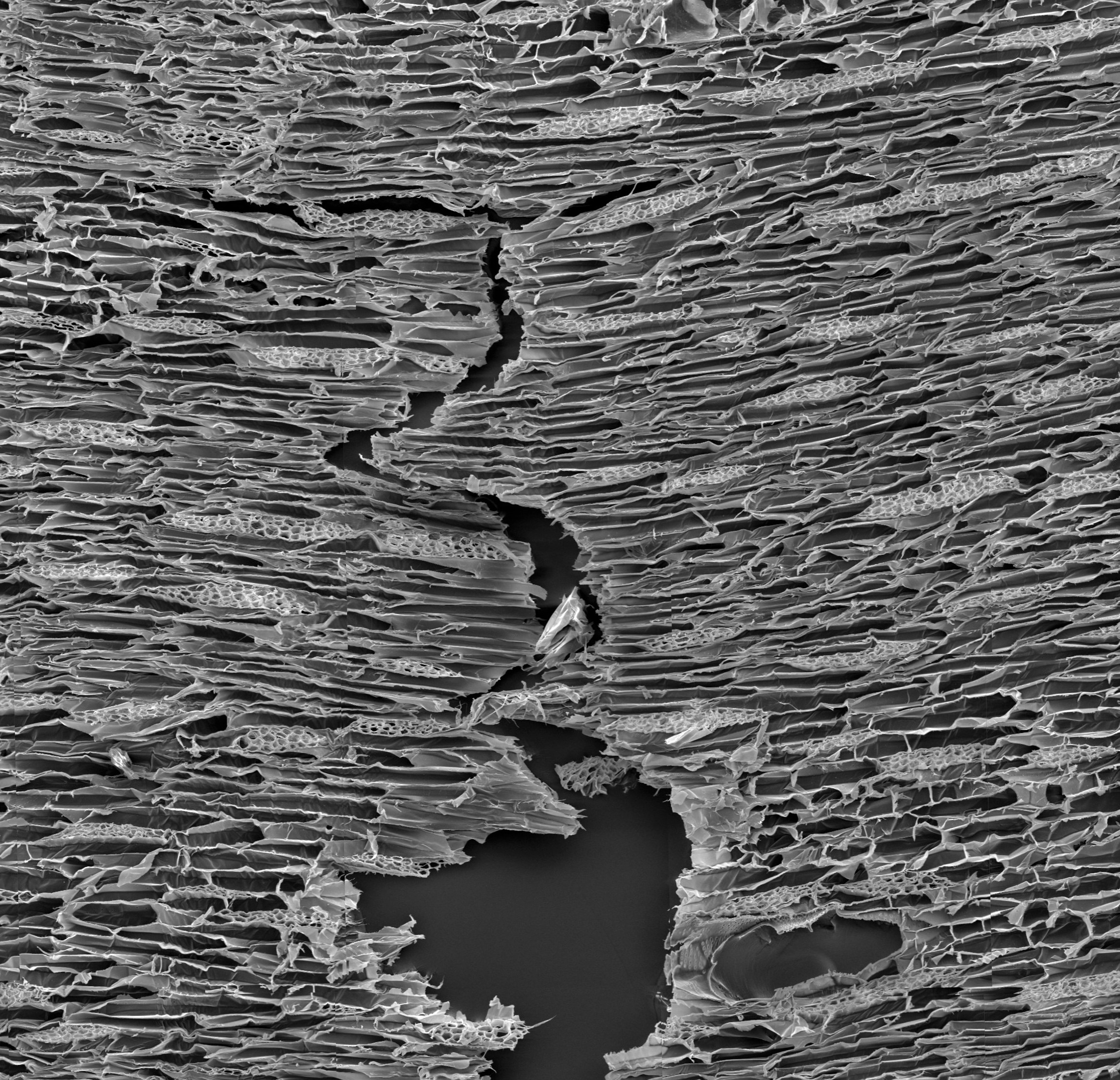
Einer der Anwender wechselt seine berufliche Tätigkeit und hat uns als kleines Abschiedsgeschenk ein Panorama-SEM-Bild gemacht, das er mit dem Coxem EM-30N aufgenommen hat. Dieses Mosaik zeigt einen 3-Punkt-Biege-Bruch in einer verformten Holzprobe. Mit dem standardmäßig integrierten Panoramamodul von Coxem wurden bei 200-facher Vergrößerung mit dem Sekundärelektronendetektor 169 Einzelbilder eines Mikrotomschnitts der Bruchstelle erstellt und automatisiert zusammengeführt. Die Aufnahme hat fast 3 Stunden gedauert, besonders beindruckt hat uns die Stabilität des Elektronenstrahls während der gesamten Akquisitionszeit.
Im oberen Bildsegment ist deutlich die Stauchung der Fasern sowie die Eindellung an der Stelle, wo die Kraft eingeleitet wurde, zu erkennen. Diese Stauchung wird im Verlauf des Versuches immer stärker und die darunterliegenden Schichten des Holzes brechen (stauchen). Bei diesem initialen Schadensbild handelt es sich um einen sogenannten Druckbruch, welcher von außen nur schwer erahnt werden kann. Weiter nach unten hin nimmt die stabilisierende Wirkung der querliegenden Gefäßstrukturen immer mehr ab, bis die Zugfestigkeit des Holzes überschritten wird und ein Zugbruch den Probekörper gänzlich versagen lässt. Besonders interessant an dieser Panoramaaufnahme ist, dass sich die beiden Brucharten treffen. Wahrscheinlich liegt in dieser Ebene die aus der mechanischen Lehre bekannte „biegeneutrale Faser“.
Falls Sie ähnliche Untersuchungen durchführen möchten oder Interesse an einem eigenen System haben, freuen wir uns auf Ihre Kontaktaufnahme.
Weitere Informationen über die Methode finden Sie auf unserer SEM-EDX-Überblickseite oder in unserem Leitfaden für SEM-EDX.





